Пароконвектомат Electrolux AOS101ETA1
- Кількість рівнів10
- Розміри ємностіGN 1/1
- Тип підключенняелектричний
- Управліннясенсорне
- Потужність, кВт17,5
- Напруга, В400
- Ширина, мм 898
- Глибина, мм 915
- Висота, мм 1058
- Вага, кг.156
Опис електричної печі Electrolux AOS101ETA1:
Піч пароконвекційна від шведської компанії Electrolux (Електролюкс) моделі AOS101ETA1 267202 із сенсорним керуванням touch дуже проста у використанні. Теплова обробка в печі замінить до 70% всіх операцій на кухні та обладнання: сковорода, плита, конвекційна піч, жаркова шафа, пароварка, котел. Підійде до шаф швидкісного охолодження та заморожування технології cook&chill.
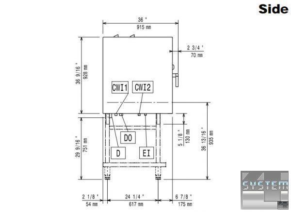
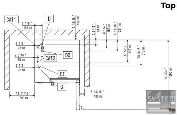
Пароконвектомат Electrolux AOS101ETA1 (артикул 267202) бойлерного типу на 10 GN1/1 гастроємностей, бойлерного типу, програмований, 3 способи приготування (автоматичний, через панель рецептів (1000шт. в 16 етапів), ручний). Повністю автоматичне приготування (задається тип продукту та спосіб його обробки, вага, об'єм та час приготування визначається пароконвектоматом), при ручному методі та створенні рецептів доступні такі режими приготування: конвекція (25-300°C), пар (100°C), низькотемпературний пар (25-99°C), перегріта пара (101-130°C), комбінована, Eco-Delta, приготування при низьких температурах LTC, безпосереднє відстеження та контроль вологості в камері Air-o-Clima, автоматична система миття Air-o -Clean, вентилятор подвійної дії, рівномірний розподіл гарячого повітря Air-o-Flow, сенсорна інтерактивна панель управління, швидке охолодження камери, ручне впорскування води, функція марміту, мультизонний пробник-зонд, вбудований витяжний душ, автоматичне визначення відкладень солей склопакет двері, термостат, підсвічування камери, USB-порт, нерж. сталь. Пароконвекційна піч Electrolux 267202 прямокутної форми з габаритними розмірами: 898мм (довжина), 915мм (глибина), 1058мм (висота) та важить 156кг. Апарат живиться від трифазної мережі потужністю 17,5 кВт з напругою 400В і частотою 50 Гц.
Режими приготування:
1. Конвекція (25-300 ° С) з функцією air-o-clima.
2. Комбі-режим (25-250 ° С) з функцією air-o-clima.
3. Пара (100 ° С).
4. Низькотемпературна пара (25-99 ° С).
5. Високотемпературна пара (101-130 ° С)
6. Автоматичний режим
7. Регенерація
8. Вистоювання
9. ДТО – Делікатна теплова обробка
10. Автоматичний прогрів
11. Автоматичне охолодження робочої камери
Додаткові функції:
– air-o-clima: вимірювання фактичного рівня вологості
– Управління паровідвідною заслінкою робочої камери
– Термощуп із 6 точками виміру
– air-o-clean: автоматична система інтенсивного очищення робочої камери
- Еко-функції системи air-o-clean
– Eco-Delta: підтримує задану різницю між температурою в камері та температурою в серцевині продукту
- Пауза
– Ручне упорскування води тривалістю від 20” до 60”
– Імпульсний режим вентилятора
- 1/2 швидкості обертання вентилятора
- 1/2 потужності нагріву
– Бібліотека програм – на 1000 програм, кожна на 16 етапів
- Автоматична діагностика наявності накипу в бойлері
– Примусове зливання води з бойлера
– Можливість підключення регулятора потужності
– Автоматична система конденсації пари
- Автоматична система діагностики
– FoodSafe Control - Контроль Харчової Безпеки
– USB-порт
– Завантаження даних НАССР
Технічні характеристики електропечі Electrolux 267202 :
| Управління: | сенсорне |
| Рівні завантаження: | 10 GN1/1 |
| Максимальне навантаження, кг: | 50 |
| Відстань між листами, мм: | 50 |
| Діапазон температур, С: | 0-300 |
| Напруга, В: | 400V ~ 3Ф ~ 50Гц |
| Потужність, кВт: | 17,5 |
| Габаритні розміри, мм: | 898х915х1058 |
| Вага, кг: | 156 |
| Підключення водопроводу | |
| Розміри зливної труби "D": | 1" 1/4 |
| Розміри холодної лінії води: | 3/4" |
| Тиск, бар: | 1,5-4,5 |
| Загальна жорсткість: | 5-50 ppm |
| Дані в упаковці | |
| Габарити в упаковці, мм: | 1000х960х1270 |
| Об'єм упаковки, м³: | 1,22 |
| Вага в упаковці, кг: | 170 |
Electrolux Professional – провідний світовий виробник професійного обладнання. Сертифікати, якими відзначено професійну продукцію Electrolux:
![]() | ![]() | ![]() | ![]() | ![]() | |||
![]() | ![]() | ![]() | ![]() | ||||
Інші характеристики:
– Вимикач Увімк./Вимк.
– Панель керування з екраном високої чіткості
– Логічно зрозумілі символи
– Задані та поточні параметри робочого циклу відображаються на екрані одночасно
– Встановлення часу: години/хвилини або хвилини/секунди або безперервний цикл
- Аварійні сигнали
– 30 мов у системі управління
– Гладка сенсорна панель керування без кнопок та рукояток
– Годинник (формат 24 години)
– Високопродуктивний парогенератор із системою автоматичного доливання води
– Вбудований душ-рулетка з автоматичною системою блокування подачі води (мод. 6 та 10 GN)
– Зовнішній пристрій для душу (опція для мод. 20 GN)
– Air-o-flow: система вентиляції для рівномірного пропікання
– Вентилятор подвійної дії
– Жирові фільтри (опція)
– Двері-книжка на шарнірному кріпленні, з подвійним склом та вентиляційним каналом
– Двері зачиняються при захлопуванні (мод. 6 і 10 GN) – ручка для керування однією рукою
– Двері замикаються поворотом ручки (мод. 20 GN) – ручка для керування однією рукою
- 2-етапне відкриття дверей - система захисту від виходу пари (опція для мод.6 та 10 GN)
– Каплізбірник для конденсату з автоматичним виведенням конденсату в дренаж (мод. 6 та 10 GN)
– Фіксація дверей у положеннях під кутом 60°/110°/180°
– Зовнішні панелі із нержавіючої сталі AISI 304
– Робоча камера із нержавіючої сталі AISI 304
– Гігієнічна безшовна робоча камера з кутами округлої конфігурації
– Галогенна лампа під ударостійким склом - для освітлення робочої камери
– Структури з напрямними під листи та грати з міцного гладкого нержавіючого дроту.
– вони прості у догляді та не створюють перешкоди для циркуляції повітряного потоку (мод. 6 та 10 GN)
- Мобільна структура (мод. 20 GN) з фіксаторами для деко; округлі кромки; вбудований каплісбірник з дренажем
– Бічна напрямна для мобільної структури (мод.20 GN)
– Захисний екран на двері увімкнений у стандартну комплектацію (мод. 20 GN)
– Контейнери для миючого засобу та ополіскувача (мод. 6 та 10 GN)
– Системи швидкого підключення контейнерів із миючим засобом та ополіскувачем (мод. 20 GN)
– Високоефективні газові пальники з низькою емісією шкідливих речовин – у робочій камері та бойлері
Встановлення, підключення, сертифікаційне маркування:
– ETL та ETL Гігієна
– Електрична безпека: IMQ
– Газова безпека: Gastec QA
– Висока ефективність та низька емісія шкідливих речовин
– Можливість підключення як до холодної, так і гарячої води: комплект трубопроводів додається
- Індекс герметичності IPX 5
– Ніжки, що регулюються по висоті (мод. 20 GN)
– Інструкція з експлуатації, монтажні схеми
– Баштове виконання: 6 GN 1/1 на 6 GN 1/1, 6 GN 1/1 на 10 GN1/1
Корисна інформація:
Лінія air-o-combi Touchline.....>>>
Electrolux AOS101ETA1.....>>>
Air-o-chill шафа швидкісного охолодження/заморожування.....>>>
Корисні статті:
Професійне обладнання для ресторанів Electrolux ... >>>
Хлібопекарське обладнання Electrolux для випікання хліба...>>>
Пароконвектомати та конвекційні печі Electrolux...>>>
Швидкісне заморожування та охолодження від Electrolux у громадському харчуванні...>>>
Чим хороша система Cook & Chill від Electrolux?...>>>
Перше знайомство з пароконвектоматом . >>>
Пароконвектомат - типи, переваги, вибір...>>>
Особливості вибору та використання пароконвектоматів .. . >>>








