Пекти конвекційна Electrolux AOS202ECA2
- Рівні, шт20
- Парозволоженнятак
Опис електричної печі Electrolux AOS202ECA2:
Пекти конвекційна від Electrolux (Електролюкс) AOS202ECA2 для використання в пекарнях та кондитерських цехах.
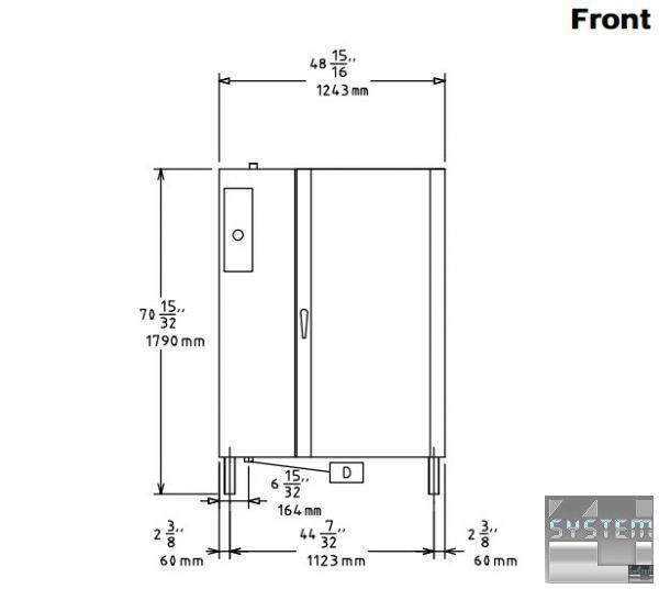
Конвекційна піч Electrolux AO21021ECA2 (артикул 269205) інжекторного типу на 20 GN2/1 гастроємностей, інжекторного типу, режим приготування задається вручну (виставляється температура, час приготування та рівень вологості в камері), автоматична система миття Air-o-C рівномірний розподіл гарячого повітря Air-o-Flow, 11 ступенів паронасичення, електронне управління, швидке охолодження камери, ручне упорскування води, функція марміту (так само дозволяє готувати при низьких температурах), однозонний пробник-зонд, подвійний склопакет дверей, термостат, підсвічування камери , у комплекті з візком, нерж. сталь. Пекти має прямокутну форму з габаритними розмірами: 1243мм (довжина), 1107мм (глибина), 1795мм (висота) і важить 358кг. Апарат живиться від трифазної мережі потужністю 50кВт з напругою 400В та частотою 50 Гц.
Докладний опис:
Пекти інжекторного типу з ручним упорскуванням пари в робочу камеру, кількість якої можна регулювати на 11 позицій. Нагрів за допомогою ТЕНів, вентиляція рівномірно розподіляє повітря по всій камері. Вентиляція з невеликими періодами у режимі PULSE.
Дверцята з подвійним склінням, для безпеки персоналу (зовнішнє скло завжди охолоджується завдяки повітряному потоці між склом). Завдяки видимому склу та освітленню (галогенові лампи) дасть вам видимий контроль над процесом готування. Робоча камера миється за допомогою програми чищення на 4 режими.
Апарат з електромеханічним керуванням, дасть повний контроль за параметрами готування в печі. Конвектомат для підлогового розташування на 4 ніжках.
Конвекційна піч Electrolux AOS202ECA2 269205 лінійки air-o-convect Convection Oven з парозволоженням проста у використанні, заощадить робочий простір, час та ваші гроші. З системою повітроводу можна одночасно готувати випічку та інші страви без перемішування запахів.
Технічні характеристики електропечі Electrolux AOS202ECA2 :
| Управління: | електромеханічне |
| Парозволоження: | + |
| Рівні завантаження: | 20 GN2/1 або 40 GN1/1 |
| Максимальне навантаження, кг: | 200 |
| Відстань між листами, мм: | 50 |
| Діапазон температур, С: | 0-300 |
| Напруга, В: | 400V ~ 3Ф ~ 50Гц |
| Потужність, кВт: | 50 |
| Габаритні розміри, мм: | 1243х1107х1795 |
| Вага, кг: | 358 |
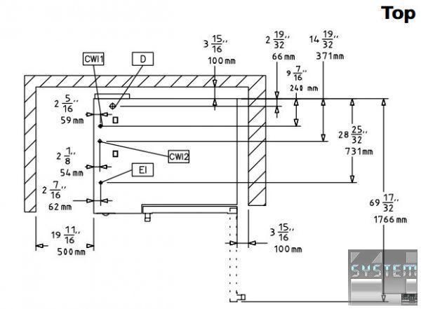
| Підключення водопроводу | |
| Розміри зливної труби "D": | 1" 1/4 |
| Розміри холодної лінії води: | 3/4" |
| Тиск, бар: | 1,5-4,5 |
| Загальна жорсткість: | 5-50 ppm |
| Дані в упаковці | |
| Габарити в упаковці, мм: | 1300х1170х2040 |
| Об'єм упаковки, м³: | 3,1 |
| Вага в упаковці, кг: | 388 |
Electrolux Professional – провідний світовий виробник професійного обладнання. Сертифікати, якими відзначено професійну продукцію Electrolux:
![]() | ![]() | ![]() | ![]() | ![]() | |||
![]() | ![]() | ![]() | ![]() | ||||








