Котел травний Electrolux E9BSELIUFE
- Об'єм, лпонад 200
- Наявність міксеруні
- Електричний привід нахилуні
- Тип підключенняелектричний
Опис електричного казана Electrolux E9BSELIUFE:
Котел травний Electrolux (Електролюкс) E9BSELIUFE входить в лінійку 900XP . Професійний апарат з базою, призначений для приготування бульйонів, супів, борщів, компотів, киселів, других страв, підігріву води та варіння овочів.
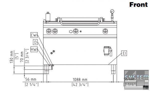
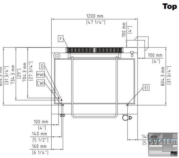
Прямокутний електричний котел Electrolux e9bseliufe має потужністю 24кВт. Ціліснотягнута прямокутна ємність об'ємом 250л. із нерж. сталі AISI 316, непряме нагрівання , манометр, запобіжний клапан, регулятор потужності, зливний кран, закруглені кути ємності, термостат безпеки, в комплект з антикорозійною добавкою. Котел має габаритні розміри: 1200мм (довжина), 930мм (глибина), 850мм (висота) та важить 200кг. Пристрій живиться від трифазної мережі з напругою 400В та частотою 50 Гц. Оснащена індикатором роботи та контролю напруги. Робоча поверхня 2мм з нержавіючої харчової сталі AISI 304 з поліруванням Scotch Brite .
Переваги електричних казанів Electrolux:
• Усі деталі із закругленими кутами
• Зовнішні панелі з поліруванням Scotch Brite
• Усі панелі виготовлені із цільноштампованого листа
• Лазерна кройка дозволяє встановлювати агрегати впритул один до одного.
• Двошарова кришка та чан виконані з нерж. сталі 316 AISI
• Подача води через соленоїдний клапан
• Котли мають широкий зливний кран для швидкого вивантаження страв
• Система нагрівання за допомогою ТЕН, регулятором потужності, обмежувачем тиску та температури.
• Котли з непрямим нагріванням оснащені: запобіжним клапаном та манометром, зовнішнім клапаном для ручного стравлювання із сорочки повітря
• Моделі непрямого нагріву економічніші, завдяки закритій нагрівальній системі.
Пряме нагрівання
– пальники передають тепло на дно діжі
– продукт можна нагріти до вищої t °С, ніж у котлі непрямого типу
Непрямий нагрівання
– використовує пар, що генерується всередині та нагріта до 110°C
- Модель з авто. затокою води в сорочку
- реле тиску
Технічні характеристики казана Electrolux E9BSELIUFE:
| Тип підключення: | електричний |
| Габарити, мм: | 1200х930х850 |
| Обсяг діжі, л: | 145 |
| Діаметр дежі, мм: | 1040х550х485 |
| Спосіб нагрівання: | непряме нагрівання |
| Потужність, кВт: | 24 |
| Напруга, В: | 400, 3Ф/50-60Гц |
| Вага, кг: | 200 |
| Дані упаковки | |
| Об'єм упаковки, м³: | 0,93 |
| Вага в упаковці, кг: | 234 |
Electrolux Professional – провідний світовий виробник професійного обладнання. Сертифікати, якими відзначено професійну продукцію Electrolux:
![]() | ![]() | ![]() | ![]() | ![]() | |||
![]() | ![]() | ![]() | ![]() | ||||
Корисна інформація:
Лінія XP 700/900 Electrolux.....>>>
Electrolux E9BSELIUFE.....>>>
Корисні статті:
- Професійне обладнання для ресторанів Electrolux
- Харчові котли: види та використання
- Лінії модульного теплового обладнання Electrolux Professional 900XP та 700XP








