Котел пищеварочный Electrolux E9BSELIUFE
- Объем, лболее 200
- Наличие миксеранет
- Электрический привод наклонанет
- Тип подключенияэлектрический
Описание электрического котла Electrolux E9BSELIUFE:
Котел пищеварочный Electrolux (Електролюкс) E9BSELIUFE входит в линейку 900XP. Профессиональный аппарат с базой, предназначены для приготовления бульонов, супов, борщей, компотов, киселей, вторых блюд, подогрева воды и варки овощей.
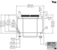
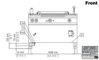
Прямоугольный котел электрический Electrolux e9bseliufe имеет мощностью 24кВт. Цельнотянутая прямоугольная емкость объемом 250л. из нерж. стали AISI 316, непрямой нагрев, манометр, предохранительный клапан, регулятор мощности, сливной кран, закруглённые углы ёмкости, термостат безопасности, в комплект с антикоррозионной добавкой. Котёл имеет габаритные размеры: 1200мм (длина), 930мм (глубина), 850мм (высота) и весит 200кг. Устройство питается от трехфазной сети с напряжением 400В и частотой 50 Гц. Оснащена индикатором работы и контроля напряжения. Рабочая поверхность 2мм из нержавеющей пищевой стали AISI 304 с полировкой Scotch Brite.
Преимущества электрических котлов Electrolux:
• Все детали с закругленными углами
• Внешние панели с полировкой Scotch Brite
• Все панели изготовлены из цельноштампованного листа
• Лазерная кройка позволяет устанавливать агрегаты вплотную друг к другу
• Двухслойная крышка и чан выполнены из нерж. стали 316 AISI
• Подача воды через соленоидный клапан
• Котлы имеют широкий сливный кран для быстрой выгрузки блюд
• Система нагрева с помощью ТЭН, регулятором мощности, ограничителем давления и температуры.
• Котлы с косвенным нагревом оснащены: предохранительным клапаном и манометром, внешним клапаном для ручного стравливания из рубашки воздуха
• Модели косвенного нагрева более экономичные, благодаря закрытой нагревательной системе
Прямой нагрев
– горелки передают тепло на дно дежи
– продукт можно нагреть до более высокой t °С, чем в котле косвенного типа
Косвенный нагрев
– использует пар, генерируемый внутри и нагретый до 110°C
– модели с авто. заливом воды в рубашку
– реле давления
Технические характеристики котла Electrolux E9BSELIUFE:
| Тип подключения: | электрический |
| Габариты, мм: | 1200х930х850 |
| Объём дежи, л: | 145 |
| Диаметр дежы, мм: | 1040х550х485 |
| Способ нагревания: | непрямой нагрев |
| Мощность, кВт: | 24 |
| Напряжение, В: | 400, 3Ф/50-60Гц |
| Вес, кг: | 200 |
| Данные упаковки | |
| Объем упаковки, м³: | 0,93 |
| Вес в упаковке, кг: | 234 |
Electrolux Professional – ведущий мировой производитель профессионального оборудования. Сертификаты, которыми отмечена профессиональная продукция Electrolux:
![]() |
![]() |
![]() |
![]() |
![]() |
|||
![]() |
![]() |
![]() |
![]() |
||||
Полезная информация:
Линия XP 700/900 Electrolux.....>>>
Electrolux E9BSELIUFE.....>>>
Полезные статьи:
- Профессиональное оборудование для ресторанов Electrolux
- Пищеварочные котлы: виды и использование
- Линии модульного теплового оборудования Electrolux Professional 900XP и 700XP








