Посудомийна машина для миття інвентарю Krupps EL 96
Серія ELITECH - вінець виробництва завдяки використанню нових конструктивних технологій, що гарантують якість бездоганного миття,
яке може задовольнити найвищі вимоги.
Лінійка Elitech Line позиціонується як топ-лінійка. Висока якість миття та ополіскування досягається за рахунок підтримки постійної температури, тиску та напору води. Час ополіскування скорочений наполовину. Моделі Elitech Line споживають менше енергії, води та миючого засобу. Як і в лінійці SoftLine, витрата води скорочена завдяки регенерації з використанням системи зворотного осмосу і системи повторного використання води Acquatech.
За основними характеристиками моделі Elitech Line аналогічні відповідним моделям Koral Line, тому ми можемо рекомендувати купити посудомийну машину з тієї чи іншої лінійки в залежності від ваших фінансових можливостей і потреб в «екологічному» функціоналі.
Опис посудомийної машини Krupps EL 96

- регульований дозатор миючого засобу 3л/год.
- регульований дозатор ополіскувача 0,3 л/год.
- електричне з'єднання для зливного насоса
- форсунка з нержавіючої сталі для миючого засобу, приварена до ванної
- Регульована швидкість обертання хрестовини системи, що ополіскує
- Break-Tank
- Насос системи, що ополіскує
- Termostop TS2: гарантована санітарна обробка
- Нова фільтруюча група для всмоктування та зливу
- Штамповані рукави із нерж. стали
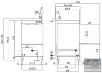
Технічні характеристики посудомийної машини Krupps EL96
| Габ. розміри (cm) L - P - H: | 69,5x80x130h |
| Упаковка (см - мз/кг): | 80x92x130h 0,96/95 |
| Габ. кошики: | 60x67см |
| Цикл миття: | 120/240-120/360-240/360сек |
| Кількість касет/година: | 30/15/10 |
| Макс. висота келиха: | - |
| Макс. Ø тарілки: | 56см |
| Макс. висота каструлі: | 56см |
| Деко GN1/1, GN2/1 - 60х40: | 5pz |
| Літраж кошика для хліба: | 60 (H=56) |
| Миючі рукави: | Ø30 INOX |
| ТЕН ванни - ємність бака: | 3,0+3,0+3,0kW, 48л |
| Потужність бойлера: | 6,0kW, 12л |
| Потужність миючого насоса: | 2,2kW/3,0Hp |
| Номінальна потужність: | 11,2kW/16A |
| Стандартне електроживлення: | 400V/3N+T 50/60 Hz |
| Рекомендоване підведення води: | +55°C |
| Витрата води за цикл: | 2,0л |
| Дозатор ополіскувача | 0,3л/год |
| Дозатор миючого засобу | 3л/год |

Базова комплектація:
Кошик із нерж. сталі - 1шт
Кошик для протвінь з 5-ма поділками - 1шт
Утримувач з нерж. сталі для приладів - 1шт
Тримач для приладів з 8-ма осередками - 1шт
Зразок миючого ср-ву, ємність 1л - 1 шт.
Зразок ополіскує ср-ва, ємність 1л - 1шт
Додаткова інформація у .pdf

1. Запасні частини
2. Варіанти розміщення
3. Пом'якшувачі та миючі засоби
4. Додаткові аксесуари та столи для завантаження та вивантаження посуду
Додаткові опції :
V230-3 230V/3+T
DP350 Зливний насос 190 Bт
DP350K Зливний насос 190 Bт
HW960 Подвійна стінка для термо- та шумоізоляції
103356 Термометр ванни та бойлера
3294K Ніжки з нерж. сталі 5-7см
SPI60 Підставка для столу 69,5х71х35 + ніжки
PB60 Дверцята для підставки SPI60
800052 Насадка для 13 тарілок
Корисна інформація:
Krupps Elitech EL96.pdf ... >>> 
Каталог Krupps-Elitech.pdf ... >>>
Інструкція .pdf...>>>
Корисні статті:
Посудомийні машини ..... >>>
Професійні посудомийні машини Krupps ..... >>>
Рекомендації щодо підбору посудомийних машин ..... >>>
Підбір конвеєрної посудомийної машини ..... >>>