Шкаф шоковой заморозки Electrolux AOFPS061CT
- Количество уровней6
Описание фризера Electrolux AOFPS061CT:
Бласт-фризеры Electrolux (Електролюкс) AOFPS061CT 726347 исполюзуються для быстрого охлаждения и заморозки. В отличие от обычной заморозки, сохраняющей лишь малую часть полезных свойств и качественных характеристик (вкус, запах и т.д.), шоковая заморозка полностью сохраняет питательную ценность продуктов и готовых блюд.
Аппарат шокового охлаждения/заморозки на 6 GN1/1 уровней или под пекарские листы 600*400мм, производительность - 30/25 кг./цикл, два дисплея управления, таймер, информационная панель с электронным управлением, полиуретановая изоляция толщиной 60мм, испаритель с защитой от коррозии, циклы работы: Cruise (полностью автоматический режим по температурному щупу), мягкое охлаждение (-2°С), жесткое охлаждение (-20°С), шоковая заморозка (-41°С), хранение при температуре +3°С (автоматический режим при завершении основного цикла охлаждения), хранение при температуре -18°С (автоматический режим при завершении основного цикла заморозки), turbo-охлаждение (беспрерывная работа на высокой мощности), режим для мороженного, работа по таймеру или по щупу согласно NF и UK нормативов, автооттайка горячим газом, в комплекте трехзонный пробник-зонд, башенная установка под пароконвектомат 6 GN1/1, исполнение - нерж. сталь AISI 304.
Преймущества шкафов шокового охлаждения/заморозки:
Режимы скоростного охлаждения и замораживания air-o-chill ®
- Функция Cruise Cycle. Автоматический режим охлаждения по типу и размеру продукта (кроме моделей на 20 GN 2/1)
- Мягкое охлаждение (рекомендовано для овощей) – от 90 °С до 3 °С менее, чем за 90 минут, t циркулирующего воздуха : - 2°С
- Жесткое охлаждение ( рекомендовано для мяса) -от 90 °С до 3 °С менее, чем за 90 минут, t циркулирующего воздуха : - 20°С
- Хранение в режиме холодильника (включается автоматически по окончании цикла охлаждения) при t + 3 °С
- Скоростное замораживание – с 90 °С до -18°С менее, чем за 240 минут, t циркулирующего воздуха : - 36 °С
- Хранение в режиме морозильника (включается автоматически по окончании цикла замораживания) при t – 22°С
- Персональные программы
- Режим Turbo cooling. Рабочая температура в диапазоне от -36°С до +3°С.
Дополнительные функции
- Персональные программы (2 на цикл) + 2 режима для мороженого
- Возможность выбрать собственные значения времени и температуры
- Термощуп с тремя сенсорными датчиками
- Автоматическая функция интеллектуальной оттайки
- Запуск оттайки вручную
- Выбор стандарта: соответствие британским или французским нормативам или настройка персонального стандарта
- Настройки
- Звуковая аварийная сигнализация и визуальная индикация данных, зарегистрированных системой НАССР
- Звуковая аварийная сигнализация и визуальная индикация сведений о неполадках оборудования
- Автоматическая система диагностики
Характеристики
Интуитивно понятные символы для максимальной простоты использования
При прохождении любого цикла на дисплей выводятся данные о температуре и времени до окончания цикла
Значение температуры указывается крупными цифрами, хорошо видимыми с расстояния 12 м.
Цифровой таймер от 0 до 8 часов или режим непрерывной работы
Дисплей с рабочими и аварийными параметрами
Выбор дополнительных функций осуществляется простым нажатием кнопки
Большие вентиляторы для качественного удаления горячего воздуха
Защитное покрытие ребер испарителя
Съемный магнитный уплотнитель и электроподогрев периметра дверной рамы
Дверная ручка, позволяющая открывать дверь одной рукой
Конструкция из нержавеющей стали AISI 304
Внутренняя структура совместима с аксессуарами для пароконвектоматов air-o-steam
Технические характеристики шокера Electrolux 726347:
| Уровни загрузки: | 6 GN1/1 |
| Максимальная нагрузка, кг: | 30 |
| Максимальная грузоподъемность, л: | 30 |
| Напряжение, В: | 400V ~ 3Ф ~ 50Гц |
| Мощность, кВт: | 1,94 |
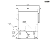
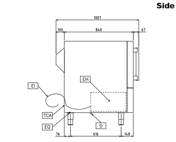
| Габаритные размеры, мм: | 897х1007х1060 |
| Вес, кг: | 165 |
| Данные холод. агрегатов | |
| Хладагент: | R404a |
| Вес хладагента, г: | 1800 |
| Мощность компрессора, л.с.: | 1,8 |
| Холодильная мощность, Вт: | 1600 |
Electrolux Professional – ведущий мировой производитель профессионального оборудования. Сертификаты, которыми отмечена профессиональная продукция Electrolux:
![]() |
![]() |
![]() |
![]() |
![]() |
|||
![]() |
![]() |
![]() |
![]() |
||||
Подключение и установка, знаки соответствия
Регулируемые по высоте ножки (за исключением моделей на 20 GN 2/1)
Шкафы air-o-chill на 6 GN 1/1, 10 GN 1/1 и 10 GN 2/1 могут быть укомплектованы колесами
Руководство по эксплуатации, электросхемы, сертификаты соответствия
Полезная информация:
Electrolux AOFPS061CT.....>>>
Air-o-chill шкаф скоростного охлаждения/замораживания.....>>>
Полезные статьи:
Профессиональное оборудование для ресторанов Electrolux ... >>>
Скоростное замораживание и охлаждение от Electrolux в общепите...>>>
Чем хороша система Cook & Chill от Electrolux?...>>>
Пароконвектоматы и конвекционные печи Electrolux...>>>








