Каталог товаров

Холодильное и морозильное оборудование
Смотреть все
Все категории

Электромеханическое оборудование
Смотреть все
Все категории

Профессиональные посудомоечные машины
Смотреть все
Все категории


125990₴
Нет в наличии
ГлавнаяТепловое оборудованиеПодогреватели блюдТепловые витриныТепловая витрина Bartscher 2/1 GN 305.051
Тепловая витрина Bartscher 2/1 GN 305.051
Цена:
125990 ₴
Нет в наличии
Доставка и Оплата
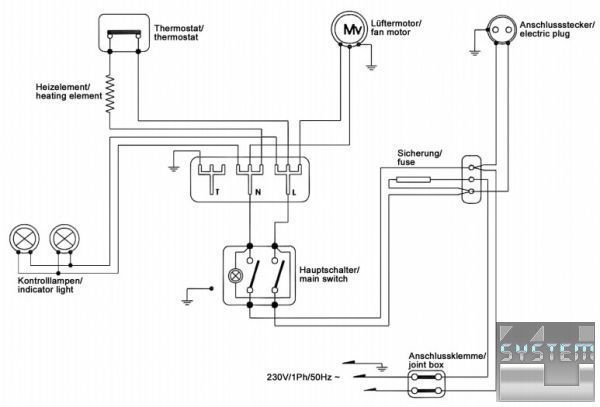
Характеристики
- Количество полок, штгастроемкости
- Диапазон температур, °С.30-95
- Материалсталь хромированная
- Мощность, кВт2,3
- Напряжение, В220
- Размеры, мм.750x775x600
- Вес, кг.65
Код: 11720


Описание тепловой витрины Bartscher 2/1 GN 305.051:
- Гнутое панорамное стекло
- Термостатическое управление
- Корпус - сталь хромированная
- Двери - раздвижные
- Гастроемкости в комплект не входят
Технические характеристики тепловой витрины:
Рабочая температура - +30 °C - +95 °C
Мощность - 2,3 кВт
Напряжение - 230В
Габариты витрины - В 750 x Ш 775 x Г 600 мм
Вес - 65 кг
Полезные статьи:
Сравнить с другими продуктами
Просмотренные товары
Купить
Купить
Купить
Купить
Холодильная витрина Juka FGL260A
Цена: 181277 ₴
181277 ₴
Дуршлаг китайский Hendi 647561
Цена: 1484 ₴
1484 ₴
Держатель для бутылок Paderno 44056-04
Цена: 6824 ₴
6824 ₴
Венчик 12 прутьев с ручкой Hendi 509432
Цена: 424 ₴
424 ₴
Доставка и Оплата
Доставка по Киеву
Самовывоз из офиса - бесплатно
Доставка от 10000 ₴ - бесплатная
Доставка до 10000 ₴ - 350 ₴
Доставка по Украине
Доставка НОВА ПОШТА
Доставка ДЕЛИВЕРИ