Холодильный стол Electrolux HB1P3CN
Описание стола Electrolux HB1P3CN:
Стол холодильного типа Electrolux (Електролюкс) модель HB1P3CN 728553 предназначен для хранения пищевых продуктов, кулинарных изделий и напитков на предприятиях общественного питания и торговли. Столешница холодильных столов служит рабочей поверхностью для повара.
Морозильный стол Electrolux 728553, без столешницы, объёмом 265л., температурный режим работы -2…+10°С, 1 дверь и 3 выдвижных ящика 1/3, система автоматической разморозки и испарения, изоляция толщиной 50мм., цифровой дисплей, в комплекте 1 полка решетка GN 1/1 (до 6 на одно отделение), климат класс +43°С, слив, скруглённые углы, исполнение нерж. сталь AISI 304
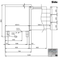
Профессиональный стол с охлаждением имеет габаритные размерами: 1238мм (длина), 700мм (глубина), 800мм (высота).
- Съемная столешница с бортом и двухсекционной холодильной камерой для контейнеров GN1/1.
- Камера стола выполнена из нерж. пищевой стали AISI 304.
- Эргономичные ручки.
- Слой изоляции 50-мм.
- Циркуляция воздуха для быстрого охлаждения продуктов.
- Регулируемые ножки из стали высотой 150мм.
- Электронная система управления (сегментный дисплей и 4-кнопочная панель).
- 6 положений направляющих для решеток
- Дренаж воды в стандартнокомплектации
Технические характеристики холодильника Electrolux 728553 HB1P3CN:
| Артикул | 728157 |
| Исполнение: | нерж. сталь AISI 304 |
| Объём, л: | 265 |
| Температурный режим: | -2…+10° |
| Климатический класс, °С: | +43° |
| Дверные петли: | cправа |
| Решеток в комплектации: | 1шт GN 1/1 |
| Напряжение, В: | 230V ~ 1Ф ~ 50Гц |
| Мощность, кВт: | 0,34 |
| Габаритные размеры, мм: | 1238х700х800 |
| Хладагент во втором контуре: | R404a |
| Холодильная мощность: | 448Вт |
Electrolux Professional – ведущий мировой производитель профессионального оборудования. Сертификаты, которыми отмечена профессиональная продукция Electrolux:
![]() |
![]() |
![]() |
![]() |
![]() |
|||
![]() |
![]() |
![]() |
![]() |
||||
Полезная информация:
Electrolux HB1P3CN.....>>>
Electrolux Green&frech.....>>>
Полезные статьи:
-> Профессиональное оборудование для ресторанов Electrolux ... >>>
-> Холодильные шкафы для разных типов продуктов
-> Холодильные и морозильные шкафы
-> Холодильное оборудование в баре и ресторане ... >>>








