Описание морозильного шкафа "SAGI" Class CD70B
Гамма холодильных шкафов Class является наилучшим синтезом продукции Sagi: технологические новинки, проектирование, дизайн, выбор материалов и отличные характеристики. Будучи выполненной для ответа на любые необходимости, она является гарантией надежности и максимальной пищевой безопасности.
Несущий корпус из нержавеющей стали AISI 304 с изоляцией из полиуретана толщиной 75 мм, залитого без использования CFC. Простое изменение направления открытия двери (кроме моделей со стеклянной дверью мод. …PV), оборудованной системой автоматического закрытия при открытии с углом менее 90°C. Ножки из нержавеющей стали AISI 304 регулируются по высоте. Зубчатые рейки из нержавеющей стали AISI 304 с 20 положениями легко снимаются. Наличие моделей с глубиной 70 см (мод.…60…; …130…). Рабочие температуры: -2/+8°C для моделей с плюсовой температурой; -24/-12°C для моделей с минусовой температурой; -6/+6°C для версий с камерой для рыбы (мод.…CP); 0/+10°C и
-20/-10°C для моделей со стеклянной дверью (мод.…PV).
Модели CD150NN, CD150BN; CD150BB; CD150CP; CD130NN; CD130BN имеют два отделенных друг от друга отсека, охлаждающихся двумя независимыми холодильными агрегатами: высокая универсальность эксплуатации, гарантия функциональности с течением времени и большая экономия электроэнергии по отношению к моделям, имеющим один холодильный агрегат
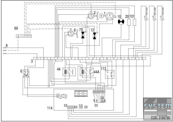
Панель управления, оборудованная электронной платой, выполняющей следующие функции:
-Hyper Cold для быстрого процесса охлаждения в сжатые сроки
-Система Energy Saving System для снижения энергозатрат ≤ 5%
-Аварийные сигналы НАССР :высокая и низкая температура, отключение питания, высокое давление и высокая конденсация.
Рациональная автоматическая оттайка горячим газом, которая включается только в случае необходимости. Автоматическая система испарения конденсата. Вентилируемое охлаждение с испарителем вне камеры хранения. Возможность версии, предназначенной для дистанционного холодильного агрегата (мод... R).
Оснастка: три пары направляющих из нержавеющей стали AISI 304 и 3 решетки для каждого отсека.
Модель …70CP: десять емкостей размером GN 1/1 В = 150 мм с перфорированным фальш-дном, расположенные на 5 направляющих из нержавеющей стали AISI 304 .
Модель …150CP: пять решеток размером GN 2/1 и пять пар направляющих из нержавеющей стали AISI 304 для отсека с обычной температурой и шесть емкостей с размером GN 1/1 В=150 мм с перфорированным фальш-дном, расположенные на 3 направляющих из нержавеющей стали AISI 304 для отсека камеры для рыбы.
Оборудование протестировано и рекомендовано согласно нормам ASTM США
Технические характеристики морозильного шкафа "SAGI" Class CD70B
Материал корпус: AISI 304
Термометр/термостат: да
Термометра окр. среды,°C: +43
Температурн. режим,°C: -12/-24
Напряжение, В/Гц.: 220-230/50
Мощность, кВт.: 1,0
Объем, л.: 700
Количество дверок, шт.: 1
Тип двери: распашные
Габаритные, (ДхШхВ) см.: 75x80x204
Хладагент: R404а
Вес нетто, кг.: 135
Инструкция.....>>>
Спецификация...>>>
