Электрическая плита Electrolux E9ECEH4QE0
- Количество конфорок, шт4
- Расположениенапольная
- Наличие духового шкафада
- Длина, см50-100
Описание электрической плиты Electrolux E9ECEH4QE0:
Плита электрическая Electrolux (Електролюкс) E9ECEH4QE0 входит в линейку 700 XP. Напольная плита предназначена для кафе, баров и ресторанов. Оснащена индикатором работы и контроля напряжения. Рабочая поверхность из нержавеющей пищевой стали AISI 304 с полировкой Scotch Brite.
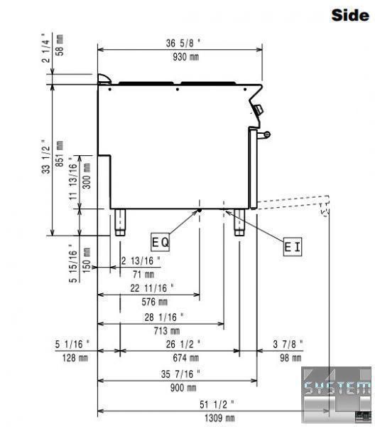
Электрическая плита с духовкой Electrolux e9eceh4qe0 включает 4 квадратные конфорки 300х300мм и мощностью по 4кВт. Плита имеет габаритные размеры: 800мм (длина), 930мм (глубина), 850мм (высота) и весит 140кг. Устройство питается от трехфазной сети с напряжением 400В и частотой 50 Гц. Электрическая духовка на 3 уровня под GN2/1, размером 540х650х300 мм, температурный режим работы 140...300°С, толщина металла рабочей поверхности 2 мм, в комплекте 1 решетка GN 2/1, нерж. сталь AISI 304.
Преимущества электрических плит Electrolux:
• Верхняя панель из штампованной нержавеющей стали толщиной 2мм
• Все детали с закругленными углами
• Внешние панели с полировкой Scotch Brite
• Все панели изготовлены из цельноштампованного листа
• Лазерная кройка позволяет устанавливать агрегаты вплотную друг к другу
• Чугунные конфорки оснащены термостатами и герметично впаяны в верхнюю панель
• Каждая конфорка мощностью 4 кВт снабжена индивидуальной управляющей рукояткой
• Панель управления с 9-позиционным регулятором мощности
• Специальный предохранитель от перегрева
• Утопленная двухслойная дверца со штампованной внутренней поверхностью обеспечивает плотное прилегание и гигиеничность
• Внутренние поверхности жарочного шкафа выполнены из нерж. стали.
• Нижняя плита с ребрами жесткости – чугунная, толщиной 5 мм
• Жарочный шкаф с 2 уровнями направляющих для гастроконтейнеров GN 2/1
Технические характеристики плиты Electrolux E9ECEH4QE0:
| Тип подключения: | электрический |
| Габариты, мм: | 800х730х850 |
| Количество поверхностей, шт: | 4 |
| Мощность поверхности, кВт: | 4 |
| Размер поверхности, мм: | 300х300 |
| Полная мощность, кВт: | 22 |
| Напряжение, В: | 380, 3Ф/50-60Гц |
| Объем упаковки, м2: | 0,8 |
| Вес, кг: | 140 |
| Электрическая духовка | |
| Количество направляющих: | 3 х 2/1 GN |
| Размеры духовки, мм: | 575х700х300 |
| Температурный режим, °С: | 110-285° |
| Мощность духовки, кВт: | 6 |
| Данные упаковки | |
| Габариты в упаковке, мм: | 960х1020х1140 |
| Объем упаковки, м³: | 0,61 |
| Вес в упаковке, кг: | 145 |
Electrolux Professional – ведущий мировой производитель профессионального оборудования. Сертификаты, которыми отмечена профессиональная продукция Electrolux:
![]() |
![]() |
![]() |
![]() |
![]() |
|||
![]() |
![]() |
![]() |
![]() |
||||
Полезная информация:
Линия XP 700/900 Electrolux.....>>>
Electrolux E9ECEH4QE0.....>>>
Полезные статьи:
Профессиональное оборудование для ресторанов Electrolux ... >>>
Модульные тепловые линии от компанни Electrolux Professional 900 и 700XP... >>>








