Машина посудомоечная купольная Krupps EL62
Посудомоечная машина купольного типа Krupps EL62
Серия ELITECH - венец производства, благодаря использованию новых конструктивных технологий, гарантирующих качество безукоризненного мытья,
которое в состоянии удовлетворить самые высокие требования.
Линейка Elitech Line позиционируется как топ-линейка. Высокое качество мытья и ополаскивания достигается за счет поддержания постоянной температуры, давления и напора воды. Время ополаскивания сокращено наполовину. Модели Elitech Line потребляют меньше энергии, воды и моющего средства. Как и в линейке SoftLine, расход воды сокращен благодаря регенерации с использованием системы обратного осмоса а также системы повторного использования воды Acquatech.
По основным характеристикам модели Elitech Line аналогичны соответствующим моделям Koral Line, поэтому мы можем рекомендовать вам купить посудомоечную машину из той или иной линейки в зависимости от ваших финансовых возможностей и потребностей в «экологичном» функционале.
Описание посудомоечной машины Krupps EL 62
- регулируемый дозатор моющего средства 3л/час
- регулируемый дозатор ополаскивателя 0,3л/час
- электрическое подсоединение для сливного насоса
- форсунка из нержавеющей стали для моющего средства, приваренный к ванной
- Регулируемая скорость вращения крестовины ополаскивающей системы
- Break-Tank
- Насос ополаскивающей системы
- Termostop TS2: гарантирована санитарная обработка
- Новая фильтрующая группа для всасывания и слива
- Штампованные рукава из нерж. стали
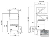
Технические характеристики посудомоечной машины Krupps EL62
| Габ. размеры (cm) L - P - H: | 62х76х190h |
| Упаковка (cм - мз/кг): | 70x76x190h 1,0/95 |
| Габ. корзины: | 50x50см |
| Цикл мойки: | ∞60/90/120сек |
| Количество кассет/час: | 60/40/30 |
| Макс. высота бокала: | 39см |
| Макс. Ø тарелки: | 41,5см |
| Макс. высота кастрюли: |
39см |
| Противень GN1/1: | 4pz |
| Литраж корзины для хлеба: | 40 (H=40см) |
| Моющие рукава: | Ø30 INOX |
| ТЭН ванны - ёмкость бака: | 4,5kW, 39л |
| Мощность бойлера: | 9,0kW, 12л |
| Мощность моющего насоса: | 2,0kW / 2,7Hp |
| Номинальная мощность: | 11,00kW / 16A |
| Стандартное электропитание: | 400V/3N+T 50/60 Hz |
| Рекомендуемый подвод воды: | +55°C |
| Расход воды за цикл: | 2,0л |
| Дозатор ополаскивателя | 0,3л/час |
| Дозатор моющего средства | 3л/час |

Базовая комплектация:
Корзина для стаканов - 1шт
Корзина для 18 тарелок - 2шт
Держатель для приборов с 8-ю ячейками - 1шт
Образец моющего ср-ва, емкость 1л - 1 шт
Образец ополаскивающего ср-ва, емкость 1л - 1шт
Дополнительная информация в .pdf

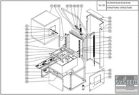
1. Запасные части
2. Варианты размещения
3. Смягчители и моющие средства
4. Дополнительные аксессуары и столы для загрузки и выгрузки посуды
Допольнительные опции:
V230-3 230V/3+T
DP400 Сливной насос 190 Bт
DP400K Сливной насос 190 Bт
103356 Термометр ванны и бойлера
800052 Наклонная корзина для винных бокалов
Полезная информация:
Krupps Elitech EL62.pdf ... >>> 
Каталог Krupps-Elitech.pdf ... >>>
Инструкция.pdf...>>>
Полезные статьи:
Посудомоечные машины ..... >>>
Профессиональные посудомоечные машины Krupps ..... >>>
Рекомендации по подбору посудомоечных машин ..... >>>
Подбор конвейерной посудомоечной машины ..... >>>
