Посудомоечная машина Krupps EC560
Cтаканомоечная машина Krupps EC560
Серия ECOCLEAN - с частичной заменой воды при каждом цикле мытья, - это идеальное по эффективности, гигиене, энергосбережению и экологичности решение.
Посудомоечные машины EcoClean Line экономят воду за счет особой системы разделения более и менее загрязненной воды; при этом более загрязненная вода (около 3 литров за цикл) сливается в канализацию специальным дренажным насосом, а менее загрязненная очищается и используется повторно.
Эта линейка насчитывает 6 фронтальных посудомоечных машин, аналогичных соответствующим моделям Soft Line.
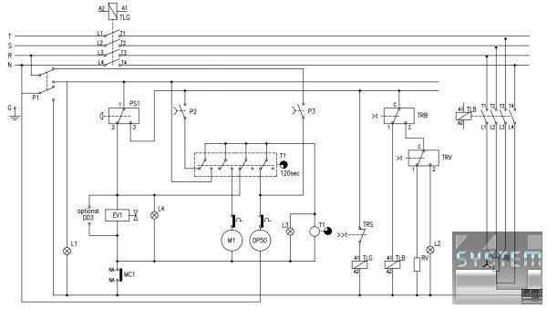
Описание стаканомоечной машины Krupps EC 560
- регулируемый дозатор моющего средства 3л/час
- регулируемый дозатор ополаскивателя 0,3л/час
- Встроенный на заводе-изготовителе сливной насос
- использование круглых корзин без держателей
- форсунка из нержавеющей стали для моющего средства, приваренный к ванной
- Клапан DVGW
- Регулируемая скорость вращения крестовины ополаскивающей системы
- Новая фильтрующая группа для всасывания и слива
- Частичная замена воды при каждом цикле
- Штампованные рукава из нерж. стали
Технические характеристики стаканомоечной машины Krupps EC560
| Габ. размеры (cm) L - P - H: | 58,5x68x80,5h |
| Упаковка (cм - мз/кг): | 68x78x100h 0,53/62 |
| Габ. корзины: | 50x50см |
| Цикл мойки: | 120сек |
| Количество кассет/час: | 30 |
| Макс. высота бокала: | 31см |
| Макс. Ø тарелки: | 33см |
| Макс. высота кастрюли: | - |
| Противень GN1/1: | 4pz |
| Литраж корзины для хлеба: | - |
| Моющие рукава: | Ø18 INOX |
| ТЭН ванны - ёмкость бака: | 3,0kW, 26л |
| Мощность бойлера: | 4,5kW, 7,3л |
| Мощность моющего насоса: | 0,52kW / 0,7Hp |
| Номинальная мощность: | 5,02kW / 16A |
| Стандартное электропитание: | 400V/3N+T 50/60 Hz |
| Рекомендуемый подвод воды: | +55°C |
| Расход воды за цикл: Cливной насос |
3,0 (давл. 2 бара) 35W |
| Дозатор ополаскивателя | 0,3л/час |
| Дозатор моющего средства | 3л/час |

Базовая комплектация:
Корзина для стаканов - 1шт
Корзина для 18 тарелок - 1шт
Держатель для приборов - 2шт
Образец моющего ср-ва, емкость 1л - 1 шт
Образец ополаскивающего ср-ва, емкость 1л - 1шт
Дополнительная информация в .pdf

1. Запасные части
2. Варианты размещения
3. Смягчители и моющие средства
4. Дополнительные аксессуары и столы для загрузки и выгрузки посуды
Допольнительные опции:
TS2 Термостоп
V230+3 230V/3+T
HP60 ТЭН бойлера 6 кВт
CA500 Насос давления 0,5Hp
CA500K Насос давления 0,5Hp -------->>> Инструкция по установке.....>>>
3294K Ножки из нерж. стали 5-7см
103356 Термометр ванны и бойлера
SPI40 Подставка для стола 58х56,5х45 + ножки
PB40 Дверца для подставки SPI40
210052 Наклонная корзина для винных бокалов
640200 Корзина для противней
Полезная информация:
Каталог Krupps-EcoClean.pdf ...>>>
Инструкция.pdf...>>>
Полезные статьи:
Посудомоечные машины ..... >>>
Профессиональные посудомоечные машины Krupps ..... >>>
Рекомендации по подбору посудомоечных машин ..... >>>
Подбор конвейерной посудомоечной машины ..... >>>

