Вапо гриль Electrolux E7GREHGS00
- Страна производителяШвеция
- Напряжение, В380В/3Ф
- Тип подключенияэлектрический
Описание вапо гриля Electrolux E7GREHGS00:
Электрический гриль Electrolux (Електролюкс) E7GREHGS00 входит в линейку 700XP. Профессиональный аппарат настольного типа, позволяет готовить продукты с эффектом жарки на угольном гриле.
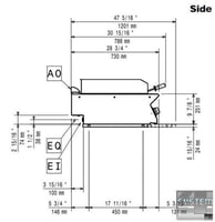
Гриль электрический для барбекю Electrolux e7grehgs00 имеет мощностью 12кВт. Раздельные решетки из нержавеющей стали на 2 положения с дренажным каналом, в комплекте с бортом, быстрый нагрев до максимальной температуры. Имеет настольный способ расположения и может монтироваться на поверхность на 4 ножки из нерж. стали толщина металла рабочей поверхности аппарата 1,5 мм. Вапо гриль имеет габаритные размеры: 800мм (длина), 730мм (глубина), 250мм (высота) и весит 42кг. Устройство питается от трехфазной сети с напряжением 400В и частотой 50 Гц. Оснащена индикатором работы и контроля напряжения. Рабочая поверхность из нержавеющей пищевой стали AISI 304 с полировкой Scotch Brite.
Преимущества электрических грилей Electrolux:
• Все детали с закругленными углами
• Внешние панели с полировкой Scotch Brite
• Все панели изготовлены из цельноштампованного листа
• Лазерная кройка позволяет устанавливать агрегаты вплотную друг к другу
• Съемный бортик (защита от брызг) из нерж. стали
• Грили-моноблоки с решетками из нерж. стали – с одной стороны рельефная, с другой - более гладкая (для рыбы и овощей)
• В комплектацию гриля входит скребок для чистки решетки
• Нагревательные элементы из сплава Incoloy (жаропрочный и жаростойкий никелехромовый сплав) расположены под решетками
• Индикатор активности аппарата
Технические жарочной поверхности Electrolux E7GREHGS00:
| Тип подключения: | электрический |
| Габариты, мм: | 800х730х250 |
| Мощность, кВт: | 12 |
| Напряжение, В: | 380, 3Ф/50-60Гц |
| Вес, кг: | 42 |
| Данные упаковки | |
| Габариты в упаковке, мм: | 900х820х540 |
| Объем упаковки, м³: | 0,4 |
| Вес в упаковке, кг: | 62 |
Electrolux Professional – ведущий мировой производитель профессионального оборудования. Сертификаты, которыми отмечена профессиональная продукция Electrolux:
![]() |
![]() |
![]() |
![]() |
![]() |
|||
![]() |
![]() |
![]() |
![]() |
||||
Полезная информация:
Линия XP 700/900 Electrolux.....>>>
Electrolux E7GREHGS00.....>>>
Полезные статьи:
- Профессиональное оборудование для ресторанов Electrolux
- Линии модульного теплового оборудования Electrolux Professional 900XP и 700XP
- Виды, преимущества, производители
- Контактные грили (прижимные грили, пресс-грили, гриль-пресс)








